PŘEHLED
Objímka se zesíleným profilem. Možnost montáže velkých anténních konstrukcí nebo SAT disk ke komínu.
Připevnění pásky: Pásku zakládáme do zářezu šroubu, následně navineme 30 cm a teprve potom stiskneme matkou. Pásku takto připevněnou k jednomu konci objímky natáhneme šroubem na druhém konci (přitom dbáme na to, aby se navinulo minimálně 30 cm pásky). Teprve pak dotáhneme matku.
SPECIFIKACE
Materiál
* Kov
Průměr stožáru
* max. 50 mm
Délka pásky
* 2 x 5 m
Vybrané vlastnosti
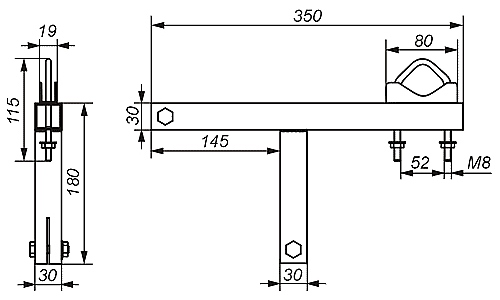
* Vzdálenost od od stožáru ke komínu : 0.13 m
* Galvanizováno
* Zesílený profil
Celková hmotnost
* 3,0 kg
Rozměry (DxŠxV)
* 350x180x30 mm
Balení
* Kartón
















